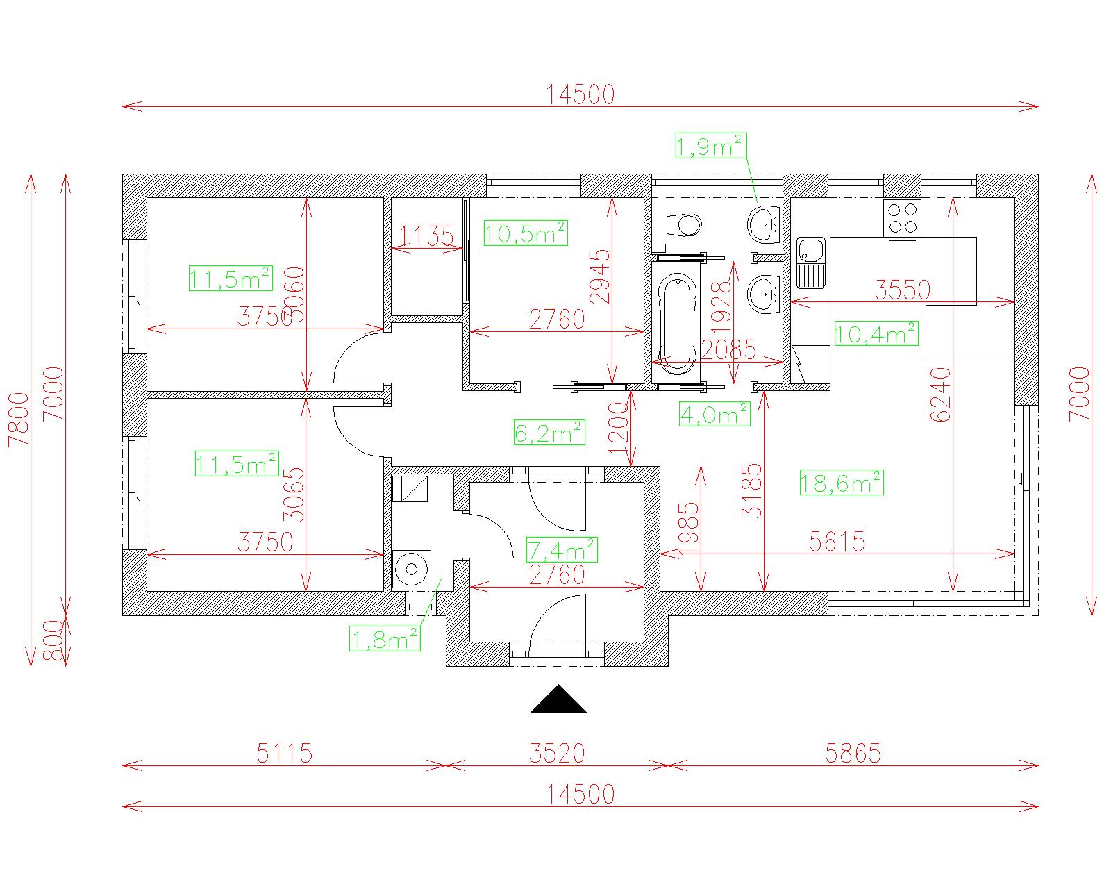
Podlaží
Izieb
Osoby
Úžitková plocha
Cena projektu
Cena na kľúč
Cena stavby svojpomocne
| Popis | Hodnota |
|---|---|
| Počet osôb | 4 |
| Orientácia vchodu | J.JV |
| Podlaží | 1 |
| Počet obytných izieb | 4 |
| Obostavaný priestor | 380 m2 |
| Celková úžitková plocha | 84.2 m2 |
| Celková obytná plocha | 52.1 m2 |
| Zastavaná plocha | 104.3 m3 |
| Výška hrebeňa strechy | 4.1 |
| Sklon strechy | 0 |
| Cena projektu | € 1 330 |
| Cena stavby na kľúč | € 111 000 |


