Podlaží
Izieb
Osoby
Úžitková plocha
Cena projektu
Cena na kľúč
Cena stavby svojpomocne
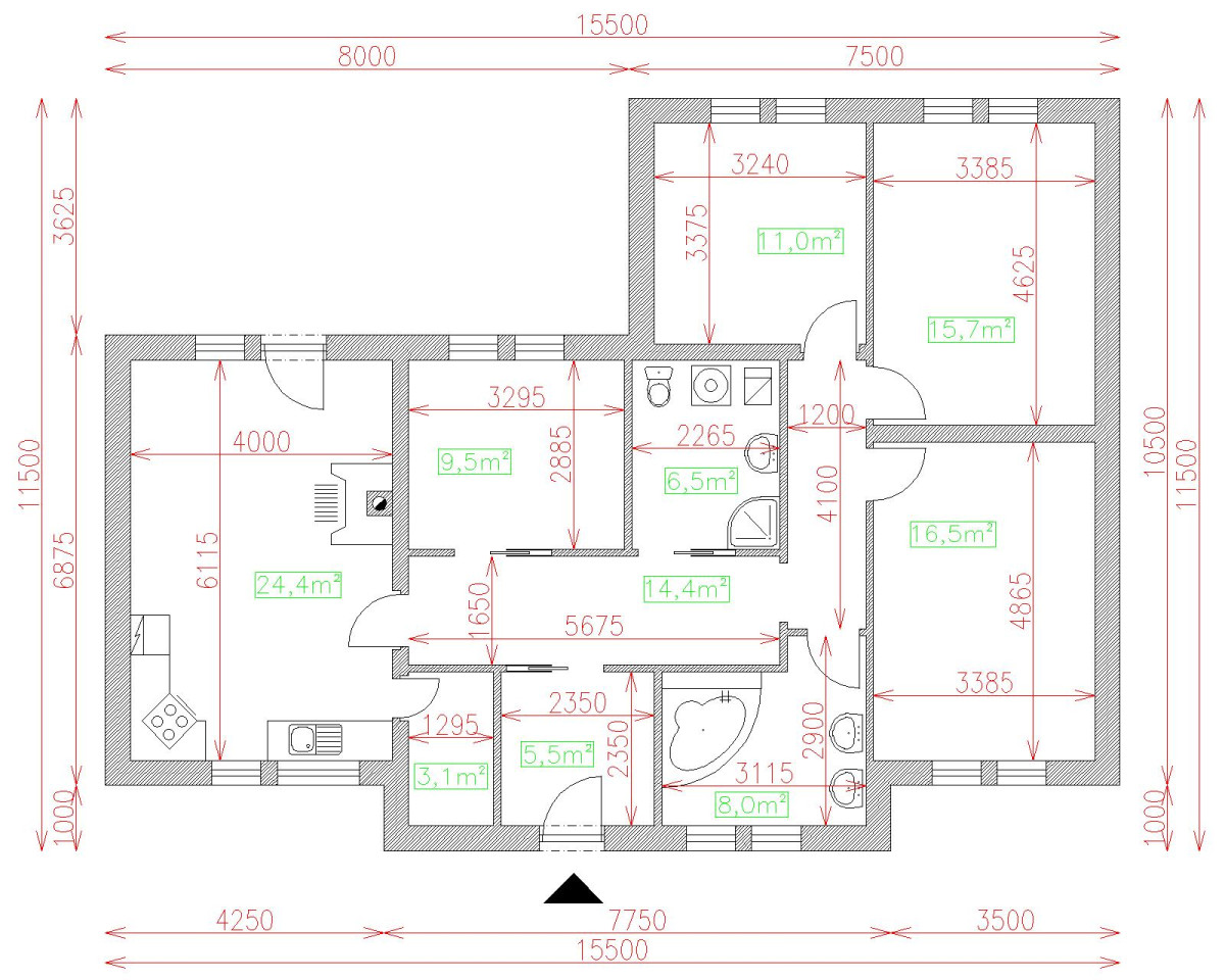
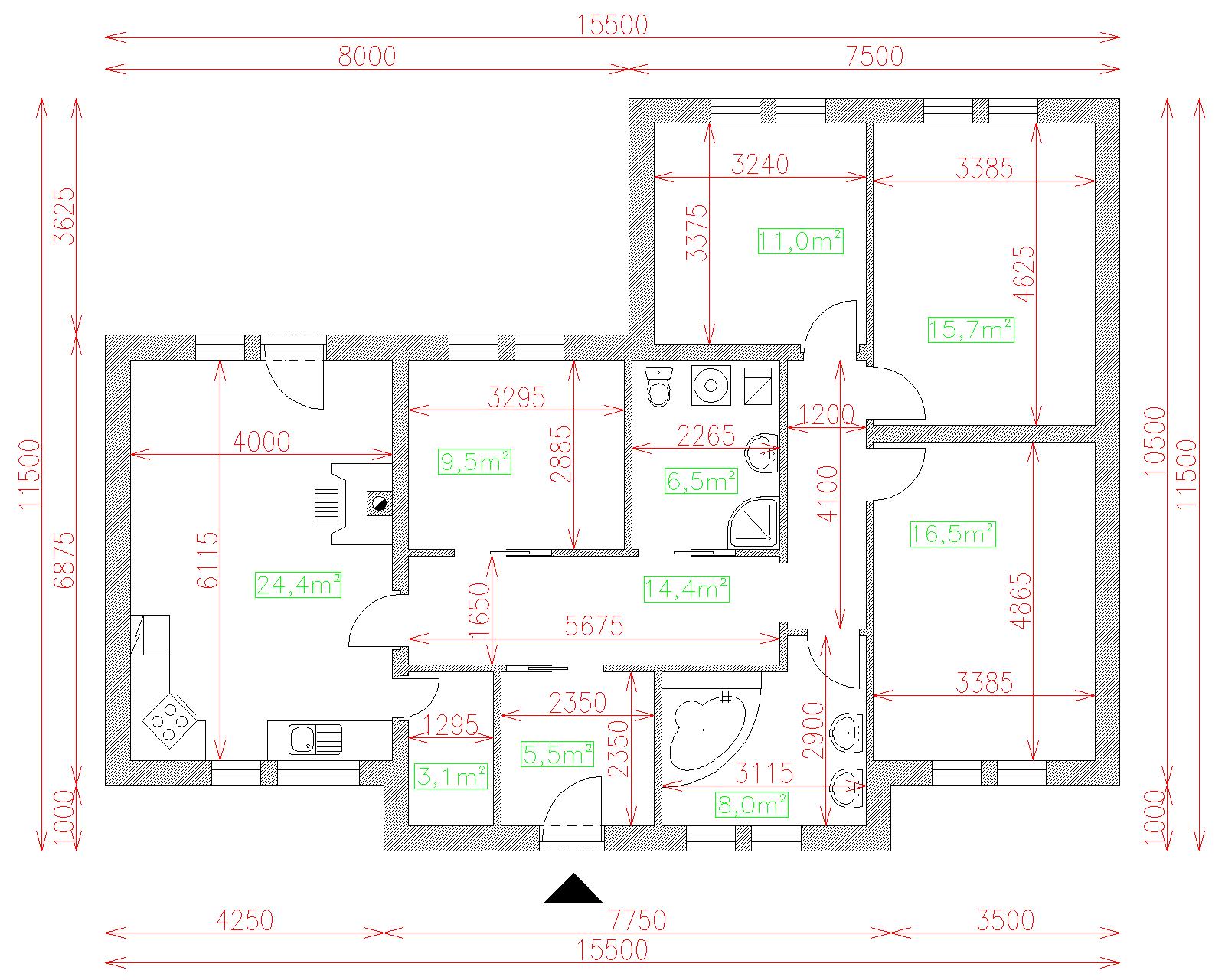
| Popis | Hodnota |
|---|---|
| Počet osôb | 5 |
| Orientácia vchodu | Z. SZ |
| Podlaží | 1 |
| Počet obytných izieb | 5 |
| Obostavaný priestor | 540 m2 |
| Celková úžitková plocha | 114.6 m2 |
| Celková obytná plocha | 77.2 m2 |
| Zastavaná plocha | 141.5 m3 |
| Výška hrebeňa strechy | 3.9 |
| Sklon strechy | 0 |
| Cena projektu | € 2 420 |
| Cena stavby na kľúč | € 149 500 |


